Гидромотор БК2.957.045-1
Гидромотор БК2.957.045-1
Подробнее
15 000 ₽/шт
Есть в наличии (34)
Нашли дешевле?
-
+
В корзину
Купить - заявка в свободной форме
Цена действительна только для интернет-магазина и может отличаться от цен в розничных магазинах
Описание
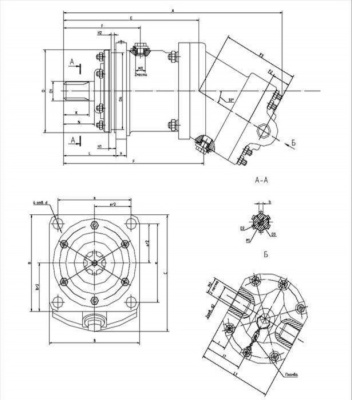
Гидромотор БК2.957.045 относится к классу нерегулируемых аксиально-поршневых гидромашин с наклонным блоком цилиндров и несиловым карданом. Основное назначение — работа в качестве силового привода исполнительных механизмов в стационарных металлообрабатывающих и прочих станках различного характера. Также может использоваться в конструкциях мобильной гидрофицированной спецтехники.
Принцип действия БК2.957.045 таков. В корпусе мотора размещён наклонный относительно оси вала блок цилиндров. Гидравлическая жидкость (минеральное масло), подаваемая под давлением к цилиндрам, приводит в движение их поршни, которые через сферические шарниры передают усилие к валу, принуждая его вращаться.
Термин «несиловой кардан» в описании означает следующее. Связь между поршневыми шарнирами и валом мотора осуществляется опосредованно через двойную карданную передачу. Второй кардан уменьшает угол атаки в сравнении с системами однокарданного типа.
Благодаря двукарданной «несиловой» конструкции мотора БК2.957.045 уменьшается вибраци
Отзывы
Отзывы
Оставить отзыв
Загрузка отзывов...
Задать вопрос
Задать вопрос
Наличие
Наличие
Будьте всегда в курсе!
Узнавайте о скидках и акциях первым
Статьи
Все статьи



